
發布時間:2023-08-04
瀏覽:131598 次目前,國內很多電機都是需要用到三相逆變器的,在一個工地或者戶外的環境中,很多時候往往沒有交流電的,而且是三相電機,這個時候就需要用到三相逆變器。

逆變器是一種電力電子設備,用于在必要的頻率和電壓o/p下將電力從一種形式轉換為另一種形式,如DC到AC。可以根據電源以及電源電路中的相關拓撲結構對其進行分類,主要分為VSI(電壓源逆變器)和CSI(電流源逆變器)兩種類型。
其中,VSI型逆變器的輸入端有一個阻抗較小的直流電壓源,而CSI型逆變器則有一個高阻抗的直流電流源。在本文中,小編將簡單一種類型的VSI逆變器,即三相逆變器的工作原理、應用特點及電路圖。
眾所周知,逆變器可以將直流電轉換為交流電,而如果用于將直流電壓變為三相交流電源,則稱之為三相逆變器。通常情況下,這些用于高壓直流輸電等高功率和變頻驅動應用。
在三相逆變器中,電力可以借助三個彼此異相的不同電流通過網絡傳輸,而在單相逆變器中,電力可以通過單相傳輸。例如,如果家庭中有三相連接,則逆變器可以連接到其中一相。
三相逆變器的工作原理是,它包括三個單相逆變開關,每個開關都可以連接到負載端。對于基本控制系統,三個開關的操作可以同步,以便單個開關在基本o/p波形的每60度處工作,從而創建包括六步線到線o/p波形。
該波形包括方波的正和負兩個部分之間的零電壓級。一旦將基于載波的PWM技術應用于這些波形,則可以采用波形的基本形狀,從而抵消包括其倍數在內的三次諧波。
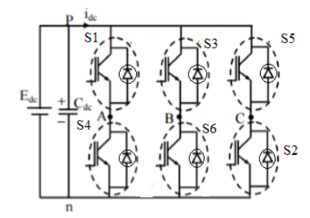
三相逆變器的電路圖如下所示,其主要作用是將直流輸入變為三相交流輸出。一個基本的三相逆變器包括3個單相逆變器開關,其中每個開關都可以連接到3個負載端子之一。

通常情況下,此逆變器的三個臂會延遲120度角以產生三相交流電源。
此外,逆變器中使用的開關有50%的比率,每60度角后可以發生切換。S1、S2、S3、S4、S5和S6等開關將相互補充。并且,三個單相逆變器跨接在一個相似的直流電源上。三相逆變器內部的極電壓相當于單相半橋逆變器內部的極電壓。
其實,單相和三相兩種逆變器都包括180度和120度導通兩種導通方式。
1、180°傳導模式
在這種傳導模式下,每個器件將以180°導通,它們以60°的間隔被激活。A、B、C等輸出端子連接到負載的星形或三相三角形連接。

對于0到60度,S1、S5和S6等開關處于導通模式。像A和C這樣的負載端子在其正點上連接到源,而B端子在其負點上與源相關聯。此外,R/2電阻可在中性線和正極兩端之間使用,而R電阻可在中性線和負極端子之間使用。

在這種模式下,負載電壓如下所示。
VAN=V 3,VBN=?2V/3,VCN = V/3。
線電壓分別可以通過下面公司給出。
VAB=VAN?VBN = V,VBC=VBN-VCN =-V,VCA=VCN?VAN=0。
其傳導波形圖如下所示:

2、120°傳導模式
在這種導通方式下,每個電子器件都會處于120°的導通狀態。它適用于負載內的三角形連接,因為它會在其中一個相位產生六步波形。因此,在任何時刻,只有這些設備會導通每個只會在120°導通的設備。
其中,負載上“A”端子的連接可以通過正端完成,而B端子可以連接到電源的負端子。負載上的“C”端子將處于導通狀態,稱為浮動狀態。此外,相電壓等于下面給出的負載電壓。
VAB=V,VBC =-V/2,VCA=-V/2。
其傳導波形圖如下所示:

三相逆變器的應用包括以下幾大方面內容:
主要用于電機變頻驅動應用。
用于高壓直流輸電等大功率應用。
三相方波逆變器用于UPS電路和低成本固態變頻充電器電路。
以上就是關于三相逆變器工作原理、電路圖、傳導方式及其應用特點等相關內容介紹。三相逆變器一般用于將DC i/p轉換為AC輸出,包括三個臂,通常延遲120°的角度以產生三相交流電源。此外,三相逆變器中的開關具有50%的比率,開關發生在每T/6的時間之后,角度間隔為60°。