
發布時間:2019-03-23
瀏覽:132364 次
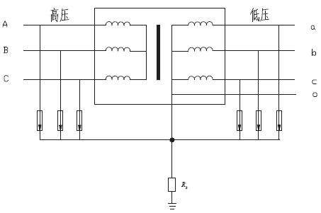
防雷接地采用“四點共同接地”380變220變壓器接線圖
380變220變壓器接線圖由臺州力威電源科技有限公司提供,公司多年來采用優質材料和先進的工藝技術專業生產1KVA--3000KVA之間,OSG/DG/SG(SBK)系列單相、三相干式隔離變壓器,產品參照西門子公司同類產品最新研制開發,產品符合VDE0550、IEC439、JB5555、GB5226國際、國家標準。 220v三相隔離變壓器主要針對進口設備電壓不同于中國電網電壓而設計,電壓等級為1000V以下,頻率為50Hz或者60Hz。
防雷接地采用“四點共同接地”方式
DL/T 620-1997《交流電氣裝置的過電壓保護和絕緣配合》中規定:“3~10kV配電系統中的配電變壓器應裝設避雷器保護。避雷器應盡量靠近變壓器裝設,其接地線應與變壓器低壓側中性點以及金屬外殼等連在一起接地。”
在低壓側加裝避雷器保護后,其特點可歸納為:
·高、低壓側均采用避雷器保護;
·四點共同接地,即高壓側避雷器的接地線、低壓側避雷器的接地線和低壓繞組的中性點及變壓器金屬外殼連接在一起。
采用這種接地方式是基于以下兩點考慮。
高壓側避雷器的接地線、低壓側避雷器的接地線和低壓繞組的中性點連接在一起接地,其目的是為了防止流經避雷器的雷電流,在接地電阻上的壓降施加在變壓器繞組上。共同連接以后,設備絕緣所承受的電壓只是避雷器的殘壓,雷擊電流在接地電阻上的壓降,就不會作用在設備的內絕緣上。
避雷器與變壓器金屬外殼連接在一起接地時,雖然繞組上的對地電壓,即主絕緣的電壓被限制為避雷器殘壓,但是接地電阻上的壓降將使外殼(對地)電位升高,可能造成對低壓繞組的逆閃絡。為避免逆閃絡的發生,應將變壓器低壓繞組的中性點也連在變壓器外殼上,使中性點與外殼始終保持等電位。其接線如上圖所示。

380變220變壓器說明
按相數可分為:單相、三相;
按功能可分為:隔離、自藕。
主要用作交流電源電壓變換、負載與電源隔離,適用于各種性質的負載。具有散熱效果好,使用壽命長等特點。凡需要交流電壓轉化的電器設備,均可使用本產品。
主要產品電壓等級為:
輸入:三相 480V、440V、420V、400V、380V、360V;
輸出:三相 220V、208V、200V、190V、173V、120V、110V、100V;
單相 220V、200V、127V、120V、110V、100V、36V、24V等。
如需特殊電壓規格請與我廠聯系訂做。
外形分I型、II型。I型不帶帽頭,II型帶有帽頭及儀表。
常規技術參數
輸入電壓:常規額定(可根椐用戶要求訂做)
輸出電壓:常規額定(可根椐用戶要求訂做)
額定工作頻率:50Hz(也可為60Hz )
抗電強度:2.5KV / 60s
絕緣電阻:> 100MΩ/ DC500V
絕緣等級:A級,105℃
冷確方式:自冷
接線方式:
自藕:Y型
隔離:△/Y型(也可根據用戶要求訂做)
使用條件:
環境溫度:-10℃~40℃
相對濕度:≤95%
海撥高度:不超過1000m
安裝場所應無嚴重影響變壓器絕緣的氣體、蒸汽、化學性沉積、灰塵、污垢、及其它侵蝕性介質;
安裝場所應無嚴重振動顛簸;
凡不符合上述規定的其它特殊使用條件,應由使用單位與我公司協商確定。
訂貨須知:
訂貨時應說明產品型號、容量、額定輸出電壓、額定輸入電壓、電源輸入輸出位置等;
如有特殊要求,須詳加說明,可按用戶要求設計生產;可按要求定制變壓與穩壓一體機。